-
изолятор эпоксидной смолы
-
Средние изоляторы напряжения тока
-
Высоковольтный изолятор эпоксидной смолы
-
Вакуумный выключатель
-
Втулка эпоксидной смолы
-
Электрические компоненты Свитчгеар
-
трансформатор смолаы бросания
-
Заземление переключатель
-
Медные электрические контакты
-
Высоковольтный переключатель разъединения
-
Arrester молнии окиси цинка
-
Промышленные связи кабеля
-
Электрическая труба пластмассы проводника
-
Высоковольтные индикаторы
-
отлитый в форму автомат защити цепи случая
-
переключатель выключателя нагрузки
-
Трансформатор распределения силы
-
СтефанЦиуПу большая фабрика электричества. мы удовлетворяем вы очень много. объединит с вами снова!
Изолятор из эпоксидной смолы 11 кВ с вакуумным выключателем 3150А
Свяжитесь я бесплатно образцы и талоны.
whatsapp:0086 18588475571
Wechat: 0086 18588475571
Skype: sales10@aixton.com
Если вы имеете любую заботу, то мы предусматриваем 24-часовую интерактивную справку.
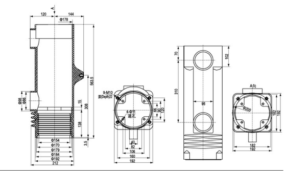
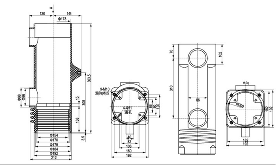
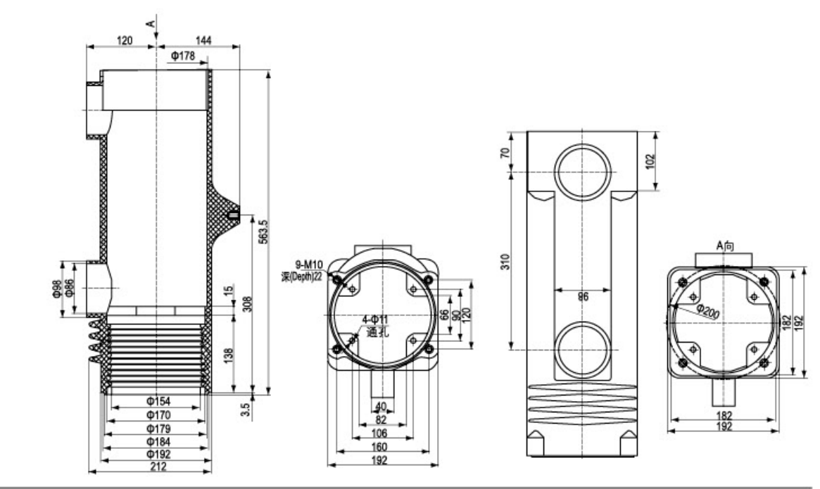
x| Материал | эпоксидная смола | Рейтинг тока | 3150А |
|---|---|---|---|
| Оцененное напряжение | 11 кВ | Длина | 500 мм |
| Выделить | 11kV epoxy resin insulator,3150A vacuum circuit breaker,high voltage epoxy insulator |
||
Изолятор из эпоксидной смолы 11 кВ с вакуумным выключателем 3150А
При наличии сигнала действия ток в закрывающей или разделяющей катушке производит магнитный потенциал.
Магнитное поле, вырабатываемое катушкой, и магнитное поле, вырабатываемое постоянным магнитом, накладываются и синтезируются магнитным полем.вместе с прикрепленным к нему приводом, управляется синтетической магнитной силой, а корпус выключателя включается и выключается с указанной скоростью.Этот механизм называется двухбитная бистабильная структура, потому что движущееся железо ядро может поддерживаться без какого-либо потребления энергии на обоих концах путиВ традиционном электромагнитном механизме движущееся ядро удерживается на одном конце пути действием пружины, а на другом конце путиОн защищен механическим замком или электромагнитной энергией.Из вышесказанного можно сделать вывод, что постоянный магнит - это специальная комбинация электромагнита и постоянного магнита для достижения традиционного механизма работы всех функций прерывателя:постоянный магнит вместо традиционного .
VS1-12 / M выключатель)) с постоянным магнитом приводом) с использованием вакуумной камеры пожаротушения дуги, вакуум как дуга пожаротушения и изоляции среды, дуга пожаротушения камеры имеет очень высокую точность
ВС1-12 ВС1-12 Вакуумный выключатель, пустоты, когда контакт и статические контакты электрически разделены под действием механизма привода,вакуумная дуга будет создана между контактами, и из-за особой структуры контакта в контактном проеме будет создано соответствующее продольное магнитное поле,который заставит вакуумную дугу оставаться диффузионной и будет равномерно распространяться на контактную поверхность, поддерживая низкое арковое напряжение, когда ток естественный, остаточный ион,электрон и металлический пар могут быть объединены или собраны на контактной поверхности и экрана в порядке величины микросекунды, и диэлектрическая изоляция прерывателя быстро восстанавливается, в результате чего дуга гасится и ломается.,У него сильная и стабильная способность прерывать ток.
| Материал | Рукоделие | |
| Литая смола | АПГ | |
![]()
![]()
![]()

